Description du produit
- pour commander deux sorties d'eau
- avec raccord de douche et poignée intégrés
- ecran mural en métal avec Grohe QuickFix (joint d'écusson caché et fixation de la tige) Commande à 6°.
- interrupteur SmartControl
- contrôle du débit d'eau : de l'économique EcoJoy au plein débit
- symboles interchangeables
- Cartouche thermostatique Grohe TurboStat
- Verrouillage Grohe SafeStop à 38°C
- clapets anti-retour et filtres à impuretés intégrés
- possibilité d'utiliser plusieurs sorties d'eau en même temps
- coude de douche intégré avec sortie ½
- sans robinetterie
- débit
- sortie B = 24 l / min
- douchette à main = 12 l/min
- Revêtement chromé Grohe StarLight
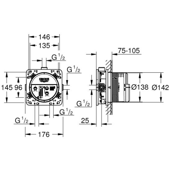
Grohe Rapido SmartBox élément d'encastrement pour robinets 35600000
Grohe Rapido SmartBox est un élément encastré pour le montage d'éléments externes de toutes les collections de robinets Grohe. L'élément s'adapte aussi bien aux robinets thermostatiques qu'aux mitigeurs, ronds ou carrés. Le Grohe Rapido SmartBox est une solution polyvalente et fiable.
- élément d'installation encastré universel 1/2"
- 3 sorties d'eau 1/2"
- 2 raccordements d'eau par le bas
- profondeur d'installation 75-105 mm
- raccords en laiton
- raccord encastré pré-assemblé
- boîtier stable et couvercle de protection
- trous de fixation pré-assemblés
- pour installations sèches et humides
- avec joint
Grohe Vitalio Comfort 250 douche de pluie 25x25 cm carré chrome 26695000
La douche de tête Grohe Vitalio Comfort 250 allie facilité d'utilisation et finition soignée, tout en vous permettant de réduire vos factures. Ceci grâce aux solutions technologiques de pointe développées par Grohe. Du système Gorhe DreamSpray, qui garantit le maintien d'un débit d'eau régulier et complet, aux jets en silicone SpeedClean faciles à nettoyer, en passant par le revêtement chromé brillant et résistant Grohe Long-Life pristine. Le point culminant de l'excellence fonctionnelle de la douche de pluie Grohe Vitalio Comfort 250 est la technologie Grohe Water Saving, qui réduit la consommation d'eau à seulement 9,5 litres par minute, tout en maintenant un confort d'utilisation total. C'est l'un des rares cas où confort, économie et protection de l'environnement vont de pair. Voyez par vous-même et invitez la douche à effet pluie Grohe Vitalio Comfort 250 dans votre salle de bains dès aujourd'hui !
- jet de pluie
- dimensions : 25 x 25 cm
- douche de tête blanche
- joint à rotule pivotant ± 10°.
- filetage de raccordement 1/2"
-grohe Water Saving, limiteur de débit 9,5 l/min
- Grohe DreamSpray spray parfait
- Finition chromée Grohe Long-Life
- Système SpeedClean contre les dépôts de calcaire
- canal d'eau interne
- convient aux chauffe-eau instantanés
- pression minimale recommandée 1,0 bar
- couleur chrome
Grohe Tempesta bras de douche StarLight Chrome 27851000
- bras de douche
- longueur : 40 cm
- filetage de raccordement 1/2"
- matériau : métal
- couleur : chrome
Grohe Vitalio Flex Trend flexible de douche 150 cm chrome 28741002
- longueur : 150 cm
- surface lisse, facile à nettoyer
-résistant à la pression jusqu'à 5 bars
-résistance à la traction de 500 N
-résistance à la température jusqu'à 70°C
-résistance à la torsion
-raccord universel G 1/2" x 1/2"
-poignées Grohe ProGrip avec structure moletée
-revêtement durable Grohe Long-Life
- couleur : chrome
Grohe Euphoria Cosmopolitan douchette chromée 27400000
-douchette à main avec un seul jet : Pluie
- Technologie Grohe EcoJoy® pour une consommation d'eau réduite
- limiteur de débit 9,5 l/min
- Système SpeedClean contre les dépôts de calcaire
- canal d'eau interne
- installation universelle
- s'adapte à tous les flexibles de douche standard
- revêtement chromé avec Grohe StarLight®.
Détails sur le produit
Détails du fabricant
Questions et réponses (0)
Vous n'avez pas trouvé la réponse à votre question?










